包装迷
登陆 / 注册 搜索

USERCENTER

SEARCHSITE

搜索

查看: 22749|回复: 94

[ArtiosCAD] 【ArtiosCAD大讲堂第10课】Esko ArtiosCAD 7.60ch 尺寸工具使用

  [复制链接]

签到天数: 1

该用户今日未签到

77

回帖

15

声望

2280

共享银

包装五大夫

Rank: 38Rank: 38Rank: 38Rank: 38Rank: 38Rank: 38

积分
1796
发表于 2014-4-29 08:59:14 | 显示全部楼层 |阅读模式
迷迷们好...
    上次做了个建模的教程,有人说看着头晕,不知道是不是因为没有语音导致同学们难看明白....
    这次来学习下最基本的工具使用    尺寸工具  
     做得不好莫喷.....

教程地址:


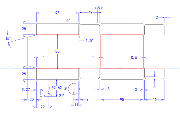
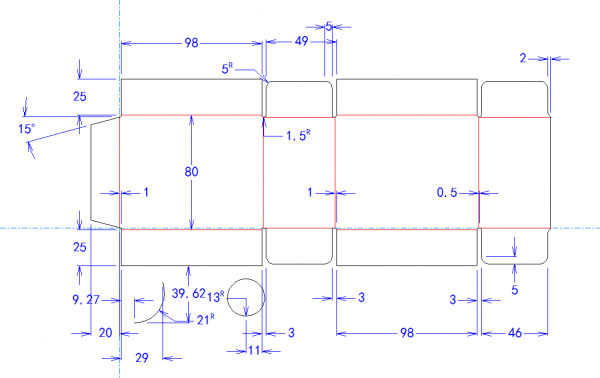
1.png

链接.rar

126 Bytes, 阅读权限: 10, 下载次数: 20, 下载积分: 迷币 -2

售价: 2 共享银  [记录]

ArtiosCAD大讲堂第10课

包装迷,www.packme.cn--为包装工程师和包装工程专业及包装从业者提供专业的技术讨论平台!(如需添加个性签名请到个人资料里面修改)

签到天数: 1

该用户今日未签到

77

回帖

15

声望

2280

共享银

包装五大夫

Rank: 38Rank: 38Rank: 38Rank: 38Rank: 38Rank: 38

积分
1796
 楼主| 发表于 2014-4-29 10:16:18 | 显示全部楼层
zy654321 发表于 2014-4-29 10:00
这么快到了第10课了。第七、八、九课在哪里呢。

七、八、九课  迷哥会有安排的~~~
包装迷,www.packme.cn--为包装工程师和包装工程专业及包装从业者提供专业的技术讨论平台!(如需添加个性签名请到个人资料里面修改)

签到天数: 1

该用户今日未签到

77

回帖

15

声望

2280

共享银

包装五大夫

Rank: 38Rank: 38Rank: 38Rank: 38Rank: 38Rank: 38

积分
1796
 楼主| 发表于 2014-4-29 11:20:19 | 显示全部楼层
huangyushun 发表于 2014-4-29 11:03
789课直接忽略之?

不是的..789是因为迷哥有安排...所以这放到10课了   谅解
包装迷,www.packme.cn--为包装工程师和包装工程专业及包装从业者提供专业的技术讨论平台!(如需添加个性签名请到个人资料里面修改)

签到天数: 1

该用户今日未签到

77

回帖

15

声望

2280

共享银

包装五大夫

Rank: 38Rank: 38Rank: 38Rank: 38Rank: 38Rank: 38

积分
1796
 楼主| 发表于 2014-4-29 10:00:08 | 显示全部楼层

早就该上啦...高手终于忍不住了...哈哈   上~~~支持
包装迷,www.packme.cn--为包装工程师和包装工程专业及包装从业者提供专业的技术讨论平台!(如需添加个性签名请到个人资料里面修改)

签到天数: 2644

该用户今日未签到

4249

回帖

12

声望

1083

共享银

管理员

Rank: 72Rank: 72Rank: 72Rank: 72Rank: 72Rank: 72Rank: 72Rank: 72

积分
27622
发表于 2014-4-29 09:07:02 | 显示全部楼层
顶楼主,很给力~~
包装迷,www.packme.cn--为包装工程师和包装工程专业及包装从业者提供专业的技术讨论平台!(如需添加个性签名请到个人资料里面修改)

签到天数: 5

该用户今日未签到

830

回帖

11

声望

407

共享银

包装右更

Rank: 72Rank: 72Rank: 72Rank: 72Rank: 72Rank: 72Rank: 72Rank: 72

积分
7448

推广达人

发表于 2014-4-29 09:32:07 | 显示全部楼层
谢谢分享 谢谢指导 慢慢估计就不晕了。。。。:)
pack me 做最好的自己

签到天数: 1

该用户今日未签到

82

回帖

11

声望

31

共享银

包装五大夫

Rank: 38Rank: 38Rank: 38Rank: 38Rank: 38Rank: 38

积分
1697
发表于 2014-4-29 10:00:15 | 显示全部楼层
这么快到了第10课了。第七、八、九课在哪里呢。
包装迷,www.packme.cn--为包装工程师和包装工程专业及包装从业者提供专业的技术讨论平台!(如需添加个性签名请到个人资料里面修改)

签到天数: 7

该用户今日未签到

145

回帖

9

声望

425

共享银

包装左庶长

Rank: 42Rank: 42Rank: 42Rank: 42Rank: 42Rank: 42

积分
2289
发表于 2014-4-29 10:41:50 | 显示全部楼层
学习学习……
包装迷,www.packme.cn--为包装工程师和包装工程专业及包装从业者提供专业的技术讨论平台!(如需添加个性签名请到个人资料里面修改)

该用户从未签到

25

回帖

14

声望

2172

共享银

荣誉VIP

Rank: 42Rank: 42Rank: 42Rank: 42Rank: 42Rank: 42

积分
1992
发表于 2014-4-29 11:03:24 | 显示全部楼层
789课直接忽略之?
包装迷,www.packme.cn--为包装工程师和包装工程专业及包装从业者提供专业的技术讨论平台!(如需添加个性签名请到个人资料里面修改)

该用户从未签到

5

回帖

10

声望

25

共享银

包装上造

Rank: 2Rank: 2

积分
6
发表于 2014-4-29 16:48:43 | 显示全部楼层
谢谢分享
包装迷,www.packme.cn--为包装工程师和包装工程专业及包装从业者提供专业的技术讨论平台!(如需添加个性签名请到个人资料里面修改)
您需要登录后才可以回帖 登录 | 立即注册!

本版积分规则

QQ|小黑屋|包装迷丨PACKME ( 【浙ICP备13020736号-1】 )

GMT+8, 2025-12-15 13:35

快速回复 返回列表