包装迷
登陆 / 注册 搜索

USERCENTER

SEARCHSITE

搜索

查看: 7745|回复: 25

[纸/瓦楞结构] 不错的药品包装纸盒,内含隔衬!

[复制链接]

签到天数: 12

该用户今日未签到

116

回帖

10

声望

230

共享银

包装公大夫

包装工程学生, 三维CAD工程师

Rank: 26Rank: 26

积分
661
发表于 2016-6-17 16:29:25 | 显示全部楼层 |阅读模式
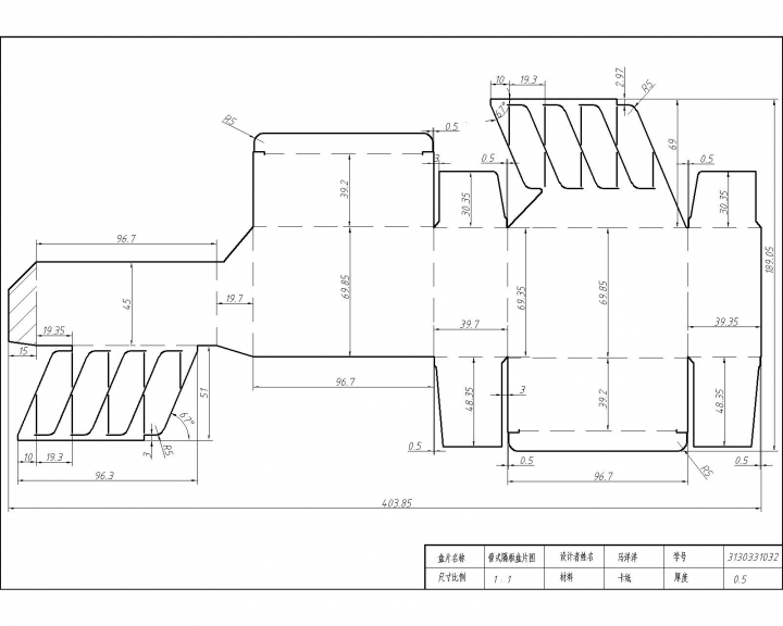
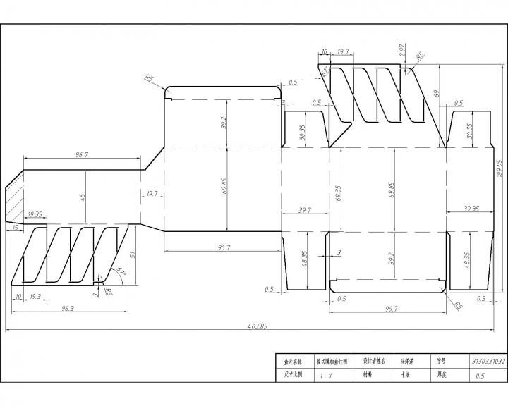
上个月之前了,身体不好生病买的药,发现盒子不错,刚好结构设计课让画个盒子盒片图,我就把这个药盒子拆了,测绘并小改进了一下,分享给大家。



这款管式折叠纸盒由3片纸组成,2片经过粘和可以打开曾为内部隔衬,刚好将空间近似分为10等份,
有效保障内部的玻璃瓶药品在 运输过程中发生摩擦碰撞 从而导致药品受损。
成型后的盒型可以压扁,方便盒子的储运,很棒。
附上我的作业图dwg,有一点小改动,将3片纸变成一片纸完成,不知道是否合理,但就这么先交的作业
材料什么的,因为不太懂,随便写的,别太在意
IMG_20160617_160149.jpg
IMG_20160617_160304.jpg
IMG_20160617_160338.jpg
IMG_20160617_160358.jpg
IMG_20160617_160501.jpg
洋洋马.jpg

洋洋马-.dwg

76.62 KB, 下载次数: 57, 下载积分: 迷币 -2

售价: 1 共享银  [记录]

评分

参与人数 1共享银 +2 迷币 +10 收起 理由
Packme + 2 + 10 很给力!

查看全部评分

大海啊!~全是水!~

签到天数: 12

该用户今日未签到

116

回帖

10

声望

230

共享银

包装公大夫

包装工程学生, 三维CAD工程师

Rank: 26Rank: 26

积分
661
 楼主| 发表于 2016-6-17 16:32:58 | 显示全部楼层
dwg我专门存的04版cad,里面有不同线性颜色,图示是黑的
包装迷,www.packme.cn--为包装工程师和包装工程专业及包装从业者提供专业的技术讨论平台!(如需添加个性签名请到个人资料里面修改)

签到天数: 65

该用户今日未签到

112

回帖

10

声望

477

共享银

包装左庶长

Rank: 42Rank: 42Rank: 42Rank: 42Rank: 42Rank: 42

积分
2677
发表于 2016-6-17 16:49:18 | 显示全部楼层
不能上机粘吧这种
包装迷,www.packme.cn--为包装工程师和包装工程专业及包装从业者提供专业的技术讨论平台!(如需添加个性签名请到个人资料里面修改)

签到天数: 12

该用户今日未签到

116

回帖

10

声望

230

共享银

包装公大夫

包装工程学生, 三维CAD工程师

Rank: 26Rank: 26

积分
661
 楼主| 发表于 2016-6-17 16:54:29 | 显示全部楼层
不清楚,不过看拆开的那个隔衬 上面的胶水是一行4个比较均匀的点迹,也可能是机粘
大海啊!~全是水!~

签到天数: 12

该用户今日未签到

116

回帖

10

声望

230

共享银

包装公大夫

包装工程学生, 三维CAD工程师

Rank: 26Rank: 26

积分
661
 楼主| 发表于 2016-6-17 16:56:56 | 显示全部楼层
xxlxb1106 发表于 2016-6-17 16:50
看到学号我就放心了,想当年我还是学生的时候画的图也这么漂亮~~
结果工作后,画的图我自己都看不下去了~~ ...

多谢指教~
大海啊!~全是水!~

签到天数: 2648

该用户今日未签到

4249

回帖

12

声望

1084

共享银

管理员

Rank: 72Rank: 72Rank: 72Rank: 72Rank: 72Rank: 72Rank: 72Rank: 72

积分
27641
发表于 2016-6-17 16:57:45 | 显示全部楼层
很有才华,多多加油~

点评

前辈?其实我个人比较擅长solidworks,不知道在这里需要的人多吗,也许我可以做一些教程?  发表于 2016-6-17 18:06
谢谢鼓励!  发表于 2016-6-17 17:53
包装迷,www.packme.cn--为包装工程师和包装工程专业及包装从业者提供专业的技术讨论平台!(如需添加个性签名请到个人资料里面修改)

签到天数: 216

该用户今日未签到

200

回帖

10

声望

264

共享银

等待验证会员

积分
2427
发表于 2016-6-17 17:08:32 | 显示全部楼层
这个买过,研究过,应该是有专门的粘合设备,要不这个量都是百万以上了。
包装迷,www.packme.cn--为包装工程师和包装工程专业及包装从业者提供专业的技术讨论平台!(如需添加个性签名请到个人资料里面修改)

签到天数: 12

该用户今日未签到

116

回帖

10

声望

230

共享银

包装公大夫

包装工程学生, 三维CAD工程师

Rank: 26Rank: 26

积分
661
 楼主| 发表于 2016-6-17 17:11:50 | 显示全部楼层
amyeah 发表于 2016-6-17 17:08
这个买过,研究过,应该是有专门的粘合设备,要不这个量都是百万以上了。

赞同
大海啊!~全是水!~

该用户从未签到

388

回帖

10

声望

15

共享银

包装左庶长

Rank: 42Rank: 42Rank: 42Rank: 42Rank: 42Rank: 42

积分
2471

活跃会员

发表于 2016-6-17 21:53:38 | 显示全部楼层
不错,个人信息还是需要处理一下的

点评

谢谢提醒^-^  发表于 2016-6-17 22:26
To be a senior packaging engineer

签到天数: 95

该用户今日未签到

138

回帖

10

声望

19

共享银

包装五大夫

Rank: 38Rank: 38Rank: 38Rank: 38Rank: 38Rank: 38

积分
1529
发表于 2016-6-21 07:58:08 | 显示全部楼层
不错,材料也省!!!
包装迷,www.packme.cn--为包装工程师和包装工程专业及包装从业者提供专业的技术讨论平台!(如需添加个性签名请到个人资料里面修改)
您需要登录后才可以回帖 登录 | 立即注册!

本版积分规则

QQ|小黑屋|包装迷丨PACKME ( 【浙ICP备13020736号-1】 )

GMT+8, 2025-12-19 09:47

快速回复 返回列表