包装迷
登陆 / 注册 搜索

USERCENTER

SEARCHSITE

搜索

查看: 8935|回复: 1

[solidworks] solidworks 工程图标注尺寸前如何象CAD一样先进行标注样式的...

[复制链接]

该用户从未签到

208

回帖

10

声望

27

共享银

包装公大夫

Rank: 26Rank: 26

积分
535
发表于 2014-11-28 14:38:21 | 显示全部楼层 |阅读模式
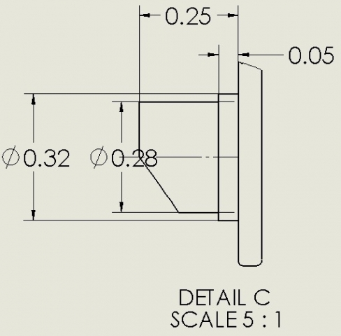
问下, Solidworks 工程图标注过程中如何通过设置来将文字定位在尺寸线的上方, 如第一张图   0.45这个尺寸
现在系统标出来是  0.16 这个式样的, 文字处在尺寸线的中间
在工具-》选项设置中找了半天没发现在哪,  有谁知道吗?  0.45 这个尺寸标注后已通过手动调整了。

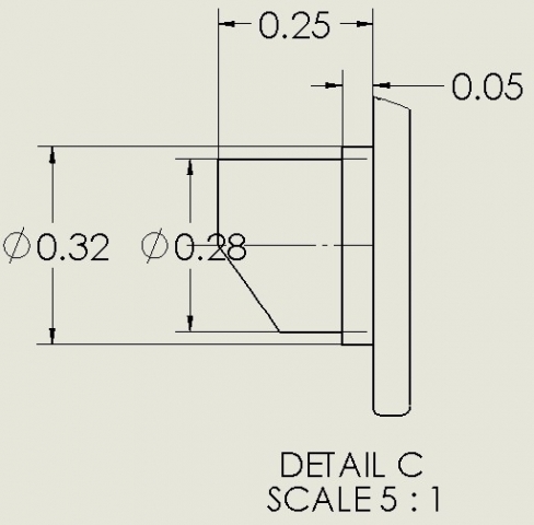
第二张图 ,是系统中直接标出来的,  垂直方向的文字方向如何使其与尺寸线方向平行, 即转过90度

第一张图

第一张图

第二张图

第二张图
包装迷,www.packme.cn--为包装工程师和包装工程专业及包装从业者提供专业的技术讨论平台!(如需添加个性签名请到个人资料里面修改)

该用户从未签到

208

回帖

10

声望

27

共享银

包装公大夫

Rank: 26Rank: 26

积分
535
 楼主| 发表于 2014-11-28 15:03:36 | 显示全部楼层
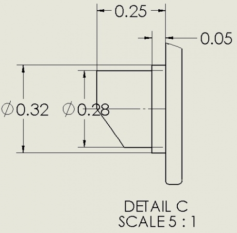
在群里有人帮助解决了。  现把结果图上传, 有类似需求的可看看。

工具-》选项-》 文档属性  , 单击尺寸   展开即可看到
3.png

评分

参与人数 1共享银 +3 收起 理由
epackmage + 3 赞一个!

查看全部评分

包装迷,www.packme.cn--为包装工程师和包装工程专业及包装从业者提供专业的技术讨论平台!(如需添加个性签名请到个人资料里面修改)
您需要登录后才可以回帖 登录 | 立即注册!

本版积分规则

QQ|小黑屋|包装迷丨PACKME ( 【浙ICP备13020736号-1】 )

GMT+8, 2025-12-17 09:28

快速回复 返回列表