包装迷
登陆 / 注册 搜索

USERCENTER

SEARCHSITE

搜索

查看: 5646|回复: 5

[纸/瓦楞结构] 一个看视频做的缓冲结构图

[复制链接]

签到天数: 53

该用户今日未签到

89

回帖

11

声望

121

共享银

包装左更

Rank: 58Rank: 58Rank: 58Rank: 58Rank: 58Rank: 58

积分
5160
发表于 2014-4-18 11:38:15 | 显示全部楼层 |阅读模式
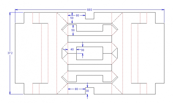
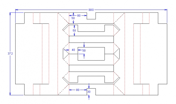
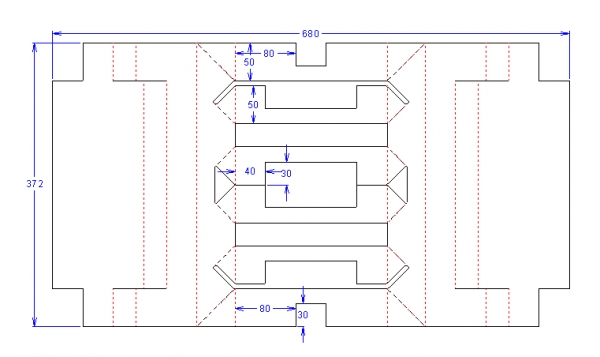
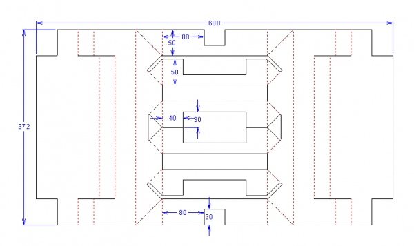
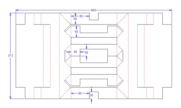
http://www.packme.cn/thread-404-1-1.html    其中一款结构图,上次找没找到,今天整理时看到了。

补充内容 (2014-4-18 11:42):
在家多多指点

缓冲结构.ARD

51 KB, 下载次数: 71, 下载积分: 迷币 -2

售价: 2 共享银  [记录]

评分

参与人数 1共享银 +5 收起 理由
baobaomao + 5 赞一个!

查看全部评分

包装迷,www.packme.cn--为包装工程师和包装工程专业及包装从业者提供专业的技术讨论平台!(如需添加个性签名请到个人资料里面修改)

签到天数: 53

该用户今日未签到

89

回帖

11

声望

121

共享银

包装左更

Rank: 58Rank: 58Rank: 58Rank: 58Rank: 58Rank: 58

积分
5160
 楼主| 发表于 2014-4-18 11:51:51 | 显示全部楼层
   忘上图了
QQ截图20140418114900.jpg
包装迷,www.packme.cn--为包装工程师和包装工程专业及包装从业者提供专业的技术讨论平台!(如需添加个性签名请到个人资料里面修改)

签到天数: 2709

该用户今日未签到

4302

回帖

12

声望

1868

共享银

管理员

Rank: 72Rank: 72Rank: 72Rank: 72Rank: 72Rank: 72Rank: 72Rank: 72

积分
28215
发表于 2014-4-18 13:30:27 | 显示全部楼层

嗯,很不错,谢谢额。。多一句嘴,你是论坛活跃会员,请尽快邮箱验证哦~~
方法见 http://www.packme.cn/thread-184-1-1.html  验证后,系统自动+银10  ,在任务区还可以再拿10银。。come on ~~
包装迷,www.packme.cn--为包装工程师和包装工程专业及包装从业者提供专业的技术讨论平台!(如需添加个性签名请到个人资料里面修改)

签到天数: 53

该用户今日未签到

89

回帖

11

声望

121

共享银

包装左更

Rank: 58Rank: 58Rank: 58Rank: 58Rank: 58Rank: 58

积分
5160
 楼主| 发表于 2014-4-18 14:54:59 | 显示全部楼层
Packme 发表于 2014-4-18 13:30
嗯,很不错,谢谢额。。多一句嘴,你是论坛活跃会员,请尽快邮箱验证哦~~
方法见 http://www.packme.cn/ ...

哈哈,谢谢,搞定,,,
包装迷,www.packme.cn--为包装工程师和包装工程专业及包装从业者提供专业的技术讨论平台!(如需添加个性签名请到个人资料里面修改)

签到天数: 20

该用户今日未签到

524

回帖

17

声望

845

共享银

荣誉VIP

Rank: 42Rank: 42Rank: 42Rank: 42Rank: 42Rank: 42

积分
4117

热心会员

发表于 2014-4-18 15:26:20 | 显示全部楼层
原来是这个,我还以为,怎么这么熟悉呢
包装迷,www.packme.cn--为包装工程师和包装工程专业及包装从业者提供专业的技术讨论平台!(如需添加个性签名请到个人资料里面修改)

签到天数: 2709

该用户今日未签到

4302

回帖

12

声望

1868

共享银

管理员

Rank: 72Rank: 72Rank: 72Rank: 72Rank: 72Rank: 72Rank: 72Rank: 72

积分
28215
发表于 2014-4-22 23:01:40 来自鈦金镶钻至尊版iphoneXS Max | 显示全部楼层
其他三个图呢,哈哈。。日本的纸缓冲的确很厉害的。。
包装迷,www.packme.cn--为包装工程师和包装工程专业及包装从业者提供专业的技术讨论平台!(如需添加个性签名请到个人资料里面修改)
您需要登录后才可以回帖 登录 | 立即注册!

本版积分规则

QQ|小黑屋|包装迷丨PACKME ( 【浙ICP备13020736号-1】 )

GMT+8, 2026-3-21 10:29

快速回复 返回列表