包装迷
登陆 / 注册 搜索

USERCENTER

SEARCHSITE

搜索

查看: 2312|回复: 5

[纸/瓦楞结构] 求科谱

[复制链接]

签到天数: 9

该用户今日未签到

108

回帖

15

声望

413

共享银

荣誉VIP

Rank: 42Rank: 42Rank: 42Rank: 42Rank: 42Rank: 42

积分
1150
发表于 2018-3-17 17:27:22 | 显示全部楼层 |阅读模式
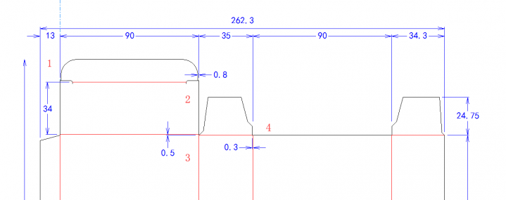
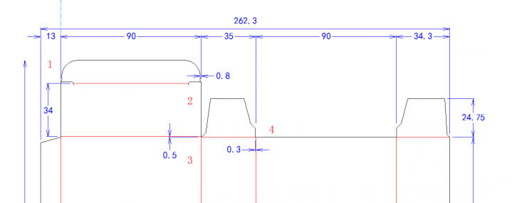
大师们,求上课啊
350克白卡

1-4,处,书上,盒样,都不同,大家都讲讲哇

谢谢啊
QQ截图20180317172247.png
包装迷,www.packme.cn--为包装工程师和包装工程专业及包装从业者提供专业的技术讨论平台!(如需添加个性签名请到个人资料里面修改)

签到天数: 7

该用户今日未签到

171

回帖

10

声望

0

共享银

包装五大夫

Rank: 38Rank: 38Rank: 38Rank: 38Rank: 38Rank: 38

积分
2002
发表于 2018-3-21 14:16:58 | 显示全部楼层
尽信书不如无书
包装迷,www.packme.cn--为包装工程师和包装工程专业及包装从业者提供专业的技术讨论平台!(如需添加个性签名请到个人资料里面修改)

签到天数: 1180

该用户今日未签到

170

回帖

11

声望

223

共享银

包装右更

包装小白

Rank: 72Rank: 72Rank: 72Rank: 72Rank: 72Rank: 72Rank: 72Rank: 72

积分
8372
QQ
发表于 2018-3-21 17:23:15 | 显示全部楼层
细节是没有统一的标准的,为了三维效果好看可能是一种做法,为了方便开刀模可能又是另外一种做法
Form Follows Function.

签到天数: 43

该用户今日未签到

84

回帖

10

声望

155

共享银

包装公乘

Rank: 32Rank: 32Rank: 32Rank: 32

积分
952
发表于 2018-3-24 13:41:43 | 显示全部楼层
这个和每个人的设计习惯有关,所以不一定就是错的,
包装迷,www.packme.cn--为包装工程师和包装工程专业及包装从业者提供专业的技术讨论平台!(如需添加个性签名请到个人资料里面修改)

签到天数: 92

该用户今日未签到

78

回帖

10

声望

16

共享银

包装公大夫

Rank: 26Rank: 26

积分
596
发表于 2018-10-30 16:38:47 | 显示全部楼层
要自己做出来割个成型看体会比较深刻
发奋成为一祸害,遗他个千年万载!

签到天数: 603

该用户今日未签到

222

回帖

10

声望

3158

共享银

超级版主

Rank: 66Rank: 66Rank: 66Rank: 66Rank: 66Rank: 66

积分
4101
发表于 2018-10-30 16:49:57 | 显示全部楼层
同意,去割个样吧。要根据实际情况收位的,光信书上的能把你害死
包装迷,www.packme.cn--为包装工程师和包装工程专业及包装从业者提供专业的技术讨论平台!(如需添加个性签名请到个人资料里面修改)
您需要登录后才可以回帖 登录 | 立即注册!

本版积分规则

QQ|小黑屋|包装迷丨PACKME ( 【浙ICP备13020736号-1】 )

GMT+8, 2026-3-21 22:40

快速回复 返回列表