包装迷
登陆 / 注册 搜索

USERCENTER

SEARCHSITE

搜索

查看: 5160|回复: 6

[塑料软包装材料] pebag袋子加孔,孔开多大合适

[复制链接]

该用户从未签到

0

回帖

10

声望

4

共享银

包装上造

Rank: 2Rank: 2

积分
16
发表于 2017-7-10 20:15:50 来自鈦金镶钻至尊版iphoneXS Max | 显示全部楼层 |阅读模式
HDPE的袋子,要加孔吗?加多大合适
来自: 微社区
包装迷,www.packme.cn--为包装工程师和包装工程专业及包装从业者提供专业的技术讨论平台!(如需添加个性签名请到个人资料里面修改)

签到天数: 581

该用户今日未签到

226

回帖

10

声望

122

共享银

包装右庶长

Rank: 50Rank: 50

积分
3355
发表于 2017-7-11 13:51:59 | 显示全部楼层
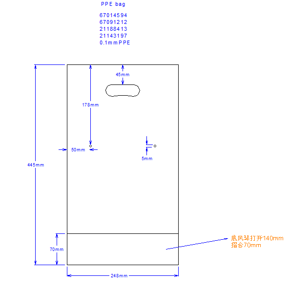
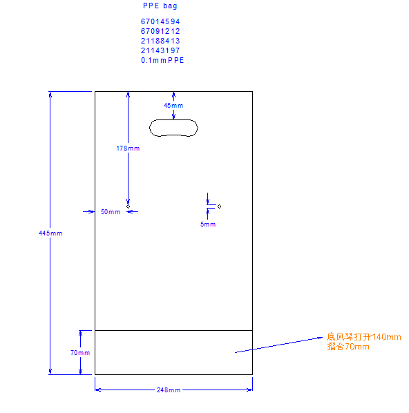
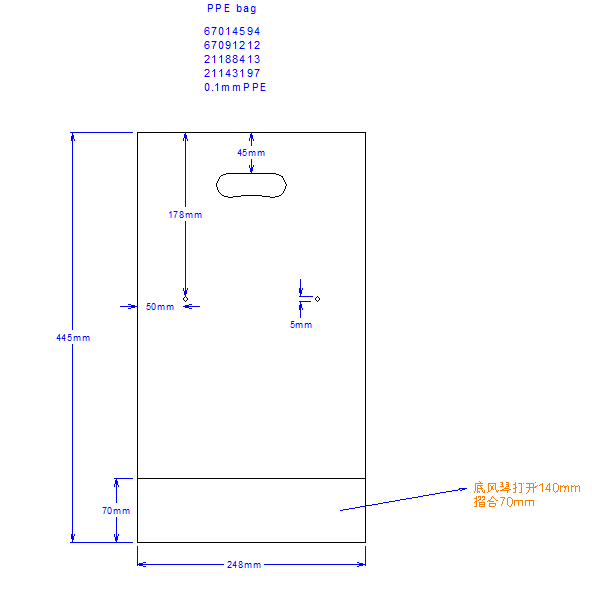
这样的吗
1499752262(1).png

评分

参与人数 1共享银 +2 迷币 +20 收起 理由
Packme + 2 + 20 骚年,我看好你!

查看全部评分

包装迷,www.packme.cn--为包装工程师和包装工程专业及包装从业者提供专业的技术讨论平台!(如需添加个性签名请到个人资料里面修改)

签到天数: 169

该用户今日未签到

92

回帖

10

声望

67

共享银

包装五大夫

Rank: 38Rank: 38Rank: 38Rank: 38Rank: 38Rank: 38

积分
1970
发表于 2017-7-14 08:44:44 来自鈦金镶钻至尊版iphoneXS Max | 显示全部楼层
打孔的目的有2个 1.欧盟安规对玩具类塑料袋有明确规定,开口超过150mm,强制打孔。防止小孩玩耍时套入头中不透气而窒息。 2.一般的胶袋打孔是为了排气。 孔直径为5-10mm居多,间隔150mm一个。双面打孔。。。。
包装迷,www.packme.cn--为包装工程师和包装工程专业及包装从业者提供专业的技术讨论平台!(如需添加个性签名请到个人资料里面修改)

签到天数: 20

该用户今日未签到

525

回帖

17

声望

819

共享银

荣誉VIP

Rank: 42Rank: 42Rank: 42Rank: 42Rank: 42Rank: 42

积分
4072

热心会员

发表于 2017-7-14 17:18:22 | 显示全部楼层

圆孔怎么不标直径或半径?
包装迷,www.packme.cn--为包装工程师和包装工程专业及包装从业者提供专业的技术讨论平台!(如需添加个性签名请到个人资料里面修改)

签到天数: 581

该用户今日未签到

226

回帖

10

声望

122

共享银

包装右庶长

Rank: 50Rank: 50

积分
3355
发表于 2017-7-18 08:19:03 | 显示全部楼层
yezhuma_cn 发表于 2017-7-14 17:18
圆孔怎么不标直径或半径?

标了哇。。。。。。。。。

点评

直径一般不会这么标注的。底部手风琴是什么结构。  发表于 2017-7-19 06:49
包装迷,www.packme.cn--为包装工程师和包装工程专业及包装从业者提供专业的技术讨论平台!(如需添加个性签名请到个人资料里面修改)

签到天数: 216

该用户今日未签到

200

回帖

10

声望

259

共享银

等待验证会员

积分
2427
发表于 2017-7-25 13:06:25 | 显示全部楼层
8MM直径,
包装迷,www.packme.cn--为包装工程师和包装工程专业及包装从业者提供专业的技术讨论平台!(如需添加个性签名请到个人资料里面修改)
您需要登录后才可以回帖 登录 | 立即注册!

本版积分规则

QQ|小黑屋|包装迷丨PACKME ( 【浙ICP备13020736号-1】 )

GMT+8, 2025-10-13 10:39

快速回复 返回列表