包装迷
登陆 / 注册 搜索

USERCENTER

SEARCHSITE

搜索

查看: 11801|回复: 23

[国外包装专利] 日本包装隔板专利

[复制链接]

签到天数: 2709

该用户今日未签到

4302

回帖

12

声望

1868

共享银

管理员

Rank: 72Rank: 72Rank: 72Rank: 72Rank: 72Rank: 72Rank: 72Rank: 72

积分
28215
发表于 2016-8-3 09:46:04 | 显示全部楼层 |阅读模式

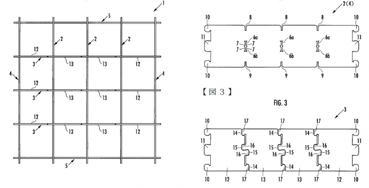
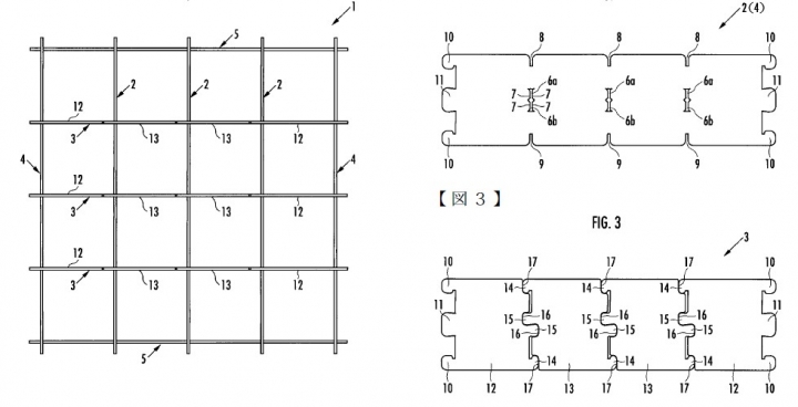
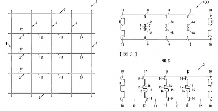
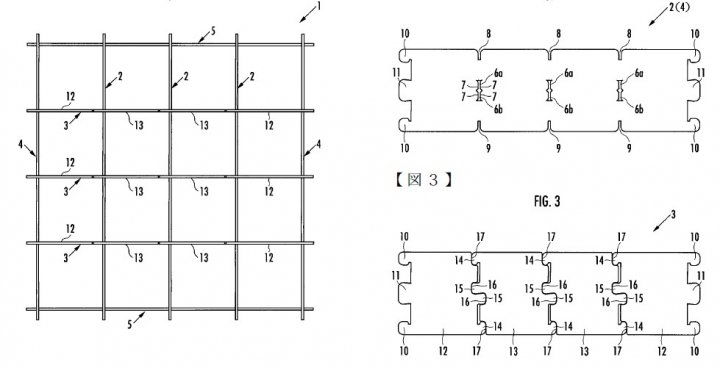
发一款日本包装隔板专利,隔板,大家在运输包装中肯定都在用,就是那种被分成一小格一小格的那种。

今天的日本包装隔板专利比较特殊,它可以拆分的哦~


1.jpg 2.jpg 3.jpg

专利PDF文件见附件,强烈建议有能割瓦楞割样机的伙伴,能割出实物来,传上实物照片或者图纸,跟贴有奖励哦~

日本包装隔板专利.pdf

111.5 KB, 阅读权限: 10, 下载次数: 143, 下载积分: 迷币 -2

售价: 2 共享银  [记录]

包装迷,www.packme.cn--为包装工程师和包装工程专业及包装从业者提供专业的技术讨论平台!(如需添加个性签名请到个人资料里面修改)

签到天数: 1346

该用户今日未签到

405

回帖

13

声望

1576

共享银

荣誉VIP

Rank: 42Rank: 42Rank: 42Rank: 42Rank: 42Rank: 42

积分
10228
QQ
发表于 2016-8-3 11:50:37 | 显示全部楼层
这个必须试试~
The Best or Nothing!

签到天数: 19

该用户今日未签到

173

回帖

16

声望

1599

共享银

荣誉VIP

Rank: 42Rank: 42Rank: 42Rank: 42Rank: 42Rank: 42

积分
5415
QQ
发表于 2016-8-3 13:38:02 | 显示全部楼层
感觉灵感来源于拼图,日本人的心思真细
包装迷,www.packme.cn--为包装工程师和包装工程专业及包装从业者提供专业的技术讨论平台!(如需添加个性签名请到个人资料里面修改)

签到天数: 2709

该用户今日未签到

4302

回帖

12

声望

1868

共享银

管理员

Rank: 72Rank: 72Rank: 72Rank: 72Rank: 72Rank: 72Rank: 72Rank: 72

积分
28215
 楼主| 发表于 2016-8-3 13:47:38 | 显示全部楼层
arc 发表于 2016-8-3 13:38
感觉灵感来源于拼图,日本人的心思真细

大神,手里有好的专利发这个区啊,嘿嘿~
包装迷,www.packme.cn--为包装工程师和包装工程专业及包装从业者提供专业的技术讨论平台!(如需添加个性签名请到个人资料里面修改)

签到天数: 19

该用户今日未签到

173

回帖

16

声望

1599

共享银

荣誉VIP

Rank: 42Rank: 42Rank: 42Rank: 42Rank: 42Rank: 42

积分
5415
QQ
发表于 2016-8-3 17:59:37 | 显示全部楼层
Packme 发表于 2016-8-3 13:47
大神,手里有好的专利发这个区啊,嘿嘿~

是三个发明人共享的专利,不好发

PS:迷哥怎么知道我有专利的啊?
包装迷,www.packme.cn--为包装工程师和包装工程专业及包装从业者提供专业的技术讨论平台!(如需添加个性签名请到个人资料里面修改)

该用户从未签到

388

回帖

10

声望

15

共享银

包装左庶长

Rank: 42Rank: 42Rank: 42Rank: 42Rank: 42Rank: 42

积分
2471

活跃会员

发表于 2016-8-3 19:54:57 | 显示全部楼层
在包装工程论坛的时候就看过了,一直没有机会做测试
To be a senior packaging engineer

签到天数: 2709

该用户今日未签到

4302

回帖

12

声望

1868

共享银

管理员

Rank: 72Rank: 72Rank: 72Rank: 72Rank: 72Rank: 72Rank: 72Rank: 72

积分
28215
 楼主| 发表于 2016-8-4 16:02:36 | 显示全部楼层
arc 发表于 2016-8-3 17:59
是三个发明人共享的专利,不好发

PS:迷哥怎么知道我有专利的啊?

哈哈,当然知道,实力体现啊~也不一定是你的,你看到的好的专利都可以发~
专利发出来没问题的,都是公开的信息~但是你用于商业用途就不对了~
包装迷,www.packme.cn--为包装工程师和包装工程专业及包装从业者提供专业的技术讨论平台!(如需添加个性签名请到个人资料里面修改)

该用户从未签到

76

回帖

10

声望

105

共享银

包装公乘

Rank: 32Rank: 32Rank: 32Rank: 32

积分
1475
QQ
发表于 2016-8-11 11:28:15 | 显示全部楼层
宜家装玻璃器皿的纸结构有些相同
为他人做嫁衣

签到天数: 141

该用户今日未签到

251

回帖

10

声望

72

共享银

包装五大夫

Rank: 38Rank: 38Rank: 38Rank: 38Rank: 38Rank: 38

积分
2025
发表于 2016-8-13 09:16:42 | 显示全部楼层
这有专利的包装我们可以用来直接生产做货吗?就好像附件的的雨伞的快递三角形纸盒
sanjiao1.jpg
1.jpg
我是好人

签到天数: 2709

该用户今日未签到

4302

回帖

12

声望

1868

共享银

管理员

Rank: 72Rank: 72Rank: 72Rank: 72Rank: 72Rank: 72Rank: 72Rank: 72

积分
28215
 楼主| 发表于 2016-8-13 09:19:09 | 显示全部楼层
minsonwan 发表于 2016-8-13 09:16
这有专利的包装我们可以用来直接生产做货吗?就好像附件的的雨伞的快递三角形纸盒 ...

最好咨询下相关律师~
包装迷,www.packme.cn--为包装工程师和包装工程专业及包装从业者提供专业的技术讨论平台!(如需添加个性签名请到个人资料里面修改)
您需要登录后才可以回帖 登录 | 立即注册!

本版积分规则

QQ|小黑屋|包装迷丨PACKME ( 【浙ICP备13020736号-1】 )

GMT+8, 2026-3-21 14:19

快速回复 返回列表