包装迷
登陆 / 注册 搜索

USERCENTER

SEARCHSITE

搜索

查看: 4739|回复: 9

[纸/瓦楞结构] 纸内衬替换EPE

[复制链接]

签到天数: 40

该用户今日未签到

25

回帖

10

声望

43

共享银

包装官大夫

Rank: 20Rank: 20Rank: 20Rank: 20

积分
495
发表于 2024-4-13 09:06:19 | 显示全部楼层 |阅读模式

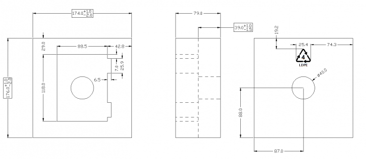
目前有几款产品一直在出货的,现客户要求包装去塑化取消使用EPE,各位大师有什么建议和方案吗?感谢!
产品为消费电子产品,外壳为金属材质,重量约为5kg, 要求落摔G值低于150G's。
目前出货是零售包装,彩盒内(EPE左右夹+附件盒),附图。
初步方案是保持零售盒(彩盒)尺寸不变,优选使用纸折卡内衬来替代EPE左右夹。


01.PNG
02.PNG
03.PNG
包装迷,www.packme.cn--为包装工程师和包装工程专业及包装从业者提供专业的技术讨论平台!(如需添加个性签名请到个人资料里面修改)

签到天数: 35

该用户今日未签到

56

回帖

10

声望

0

共享银

包装官大夫

Rank: 20Rank: 20Rank: 20Rank: 20

积分
289
发表于 2024-4-14 15:41:10 | 显示全部楼层
改用纸塑,最快快省
包装迷,www.packme.cn--为包装工程师和包装工程专业及包装从业者提供专业的技术讨论平台!(如需添加个性签名请到个人资料里面修改)

签到天数: 180

今日第28个签到

8

回帖

10

声望

25

共享银

包装公乘

Rank: 32Rank: 32Rank: 32Rank: 32

积分
912
发表于 2024-6-3 10:07:19 | 显示全部楼层
鬼子荣 发表于 2024-4-14 15:41
改用纸塑,最快快省

你说的纸塑是纸浆内衬吗?这个要开模,这个尺寸的磨具费要1W+,我寻到的供应商要做满38W才退模具费
包装迷,www.packme.cn--为包装工程师和包装工程专业及包装从业者提供专业的技术讨论平台!(如需添加个性签名请到个人资料里面修改)

签到天数: 1

该用户今日未签到

4

回帖

10

声望

70

共享银

包装不更

Rank: 8Rank: 8Rank: 8Rank: 8

积分
58
发表于 2024-6-3 23:31:26 | 显示全部楼层
用瓦楞纸做EPE外壳仿形吧,内部再填充纸板,不过不保证过跌落
包装迷,www.packme.cn--为包装工程师和包装工程专业及包装从业者提供专业的技术讨论平台!(如需添加个性签名请到个人资料里面修改)

签到天数: 2277

今日第1个签到

28

回帖

9

声望

344

共享银

包装大良造

Rank: 94Rank: 94Rank: 94Rank: 94Rank: 94Rank: 94Rank: 94Rank: 94Rank: 94Rank: 94

积分
24575
QQ
发表于 2024-6-5 16:59:16 | 显示全部楼层
外形比较规整,用蜂窝吧
包装迷,www.packme.cn--为包装工程师和包装工程专业及包装从业者提供专业的技术讨论平台!(如需添加个性签名请到个人资料里面修改)

该用户从未签到

5

回帖

10

声望

64

共享银

包装官大夫

Rank: 20Rank: 20Rank: 20Rank: 20

积分
453
发表于 2024-7-1 13:41:10 | 显示全部楼层
你的问题解决了吗,用链接里结构结合蜂窝板应该可以解决    https://www.packme.cn/thread-10160-1-1.html   
包装迷,www.packme.cn--为包装工程师和包装工程专业及包装从业者提供专业的技术讨论平台!(如需添加个性签名请到个人资料里面修改)

签到天数: 387

该用户今日未签到

21

回帖

10

声望

29

共享银

包装五大夫

Rank: 38Rank: 38Rank: 38Rank: 38Rank: 38Rank: 38

积分
2024
发表于 2024-7-2 10:41:59 | 显示全部楼层
这个是趋势,能耗比较大!

签到天数: 179

该用户今日未签到

41

回帖

10

声望

0

共享银

包装公乘

Rank: 32Rank: 32Rank: 32Rank: 32

积分
995
发表于 2024-7-2 14:02:08 | 显示全部楼层
Weiking 发表于 2024-6-5 16:59
外形比较规整,用蜂窝吧

5KG 用蜂窝板冲压的一摔就破的不成样子,粘的成本又高。
包装迷,www.packme.cn--为包装工程师和包装工程专业及包装从业者提供专业的技术讨论平台!(如需添加个性签名请到个人资料里面修改)

签到天数: 40

该用户今日未签到

25

回帖

10

声望

43

共享银

包装官大夫

Rank: 20Rank: 20Rank: 20Rank: 20

积分
495
 楼主| 发表于 2024-7-31 23:00:12 | 显示全部楼层
用蜂窝板做了跌落测试,粘贴的地方都脱落了,侧面挤压得不成样子,还好没把产品摔坏。
蜂窝板.PNG
包装迷,www.packme.cn--为包装工程师和包装工程专业及包装从业者提供专业的技术讨论平台!(如需添加个性签名请到个人资料里面修改)

签到天数: 179

该用户今日未签到

41

回帖

10

声望

0

共享银

包装公乘

Rank: 32Rank: 32Rank: 32Rank: 32

积分
995
发表于 2024-8-1 08:20:09 | 显示全部楼层
keyou 发表于 2024-7-31 23:00
用蜂窝板做了跌落测试,粘贴的地方都脱落了,侧面挤压得不成样子,还好没把产品摔坏。 ...

早说了蜂窝板扛不住重量的,不只是不能冲压成型而且就算粘贴每个与产品接触受力方向都要垂直于蜂窝板牛皮纸面。成本会涨的很高的,要么就考虑纯纸折叠这么造型出来,或者蜂窝板于纸衬结合用纸衬去分摊冲击
包装迷,www.packme.cn--为包装工程师和包装工程专业及包装从业者提供专业的技术讨论平台!(如需添加个性签名请到个人资料里面修改)
您需要登录后才可以回帖 登录 | 立即注册!

本版积分规则

QQ|小黑屋|包装迷丨PACKME ( 【浙ICP备13020736号-1】 )

GMT+8, 2025-11-8 15:44

快速回复 返回列表