包装迷
登陆 / 注册 搜索

USERCENTER

SEARCHSITE

搜索

查看: 6309|回复: 6

[ArtiosCAD] 雅图cad画图标尺寸自带单位

[复制链接]

签到天数: 369

该用户今日未签到

230

回帖

11

声望

231

共享银

包装左更

Rank: 58Rank: 58Rank: 58Rank: 58Rank: 58Rank: 58

积分
4907
发表于 2020-4-16 17:08:34 | 显示全部楼层 |阅读模式
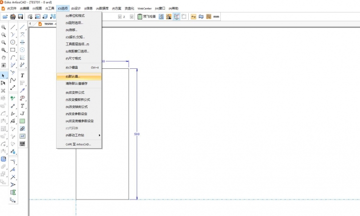
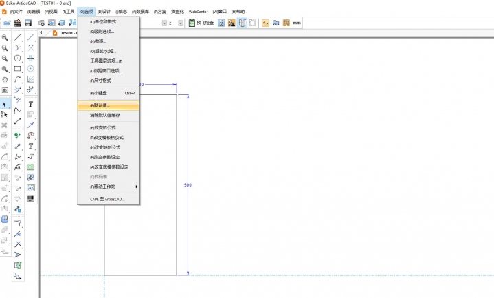
之前发过一个帖子,介绍了如何用雅图cad画图时标注有尺寸,可是这样的话,我每次画图时都要特意去加单位,如果需要多画一条标准就要多加一步,我便想应该有软件应该可以设置默认标尺寸带有单位的,人笨花了点时间终于找到了满意的方法。 05.jpg 06.png 07.jpg 08.png
要记得设置默认值后,要重新打开新文档,这样才能开启自动标注功能。



评分

参与人数 1共享银 +5 迷币 +10 收起 理由
Packme + 5 + 10 骚年,我看好你!

查看全部评分

包装迷,www.packme.cn--为包装工程师和包装工程专业及包装从业者提供专业的技术讨论平台!(如需添加个性签名请到个人资料里面修改)

签到天数: 2722

该用户今日未签到

4308

回帖

12

声望

1835

共享银

管理员

Rank: 72Rank: 72Rank: 72Rank: 72Rank: 72Rank: 72Rank: 72Rank: 72

积分
28327
发表于 2020-4-16 17:56:58 | 显示全部楼层
就是修改默认值,这个很好用的!
包装迷,www.packme.cn--为包装工程师和包装工程专业及包装从业者提供专业的技术讨论平台!(如需添加个性签名请到个人资料里面修改)

签到天数: 6

该用户今日未签到

3

回帖

10

声望

0

共享银

包装大夫

Rank: 14Rank: 14Rank: 14Rank: 14Rank: 14Rank: 14

积分
124
发表于 2020-4-17 11:42:00 | 显示全部楼层
谢谢分享   学习了
包装迷,www.packme.cn--为包装工程师和包装工程专业及包装从业者提供专业的技术讨论平台!(如需添加个性签名请到个人资料里面修改)

签到天数: 5

该用户今日未签到

5

回帖

10

声望

28

共享银

包装不更

Rank: 8Rank: 8Rank: 8Rank: 8

积分
51
发表于 2020-8-7 15:02:14 | 显示全部楼层
感谢,学到了
包装迷,www.packme.cn--为包装工程师和包装工程专业及包装从业者提供专业的技术讨论平台!(如需添加个性签名请到个人资料里面修改)

签到天数: 55

该用户今日未签到

15

回帖

10

声望

1

共享银

包装官大夫

Rank: 20Rank: 20Rank: 20Rank: 20

积分
455
发表于 2020-8-12 14:58:51 | 显示全部楼层
谢谢,分享!
包装迷,www.packme.cn--为包装工程师和包装工程专业及包装从业者提供专业的技术讨论平台!(如需添加个性签名请到个人资料里面修改)

签到天数: 1535

该用户今日未签到

369

回帖

10

声望

72

共享银

包装右更

Rank: 72Rank: 72Rank: 72Rank: 72Rank: 72Rank: 72Rank: 72Rank: 72

积分
9446
QQ
发表于 2020-8-12 21:58:25 | 显示全部楼层
怎么设置画好后有尺寸标注
一个普通的我

签到天数: 369

该用户今日未签到

230

回帖

11

声望

231

共享银

包装左更

Rank: 58Rank: 58Rank: 58Rank: 58Rank: 58Rank: 58

积分
4907
 楼主| 发表于 2020-8-13 08:44:17 | 显示全部楼层
dingruifeng 发表于 2020-8-12 21:58
怎么设置画好后有尺寸标注

盒型库就可以
包装迷,www.packme.cn--为包装工程师和包装工程专业及包装从业者提供专业的技术讨论平台!(如需添加个性签名请到个人资料里面修改)
您需要登录后才可以回帖 登录 | 立即注册!

本版积分规则

QQ|小黑屋|包装迷丨PACKME ( 【浙ICP备13020736号-1】 )

GMT+8, 2026-4-10 09:55

快速回复 返回列表