包装迷
登陆 / 注册 搜索

USERCENTER

SEARCHSITE

搜索

查看: 2618|回复: 1

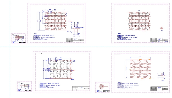
[纸/瓦楞结构] 麦当劳结构刀线图

[复制链接]

签到天数: 110

该用户今日未签到

19

回帖

10

声望

3233

共享银

包装公乘

Rank: 32Rank: 32Rank: 32Rank: 32

积分
1021
发表于 2017-5-1 21:29:15 | 显示全部楼层 |阅读模式


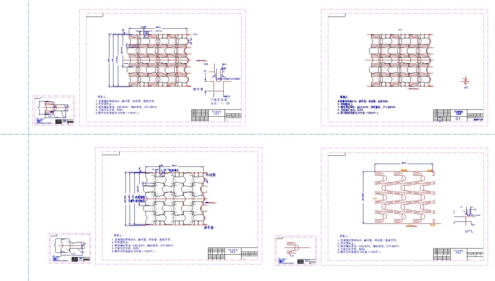
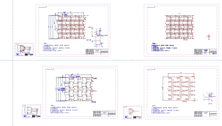
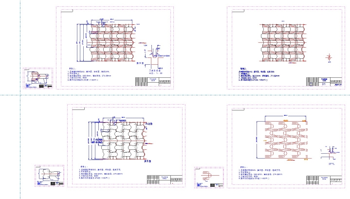
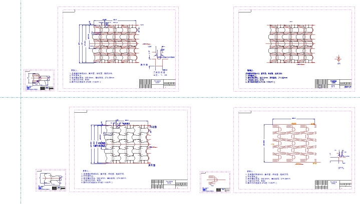
当劳结构刀线图


麦当劳结构刀线图

麦当劳结构刀线图

麦当劳结构刀线图

麦当劳结构刀线图

麦当劳结构刀线图

麦当劳结构刀线图


麦当劳.rar

2.39 MB, 阅读权限: 20, 下载次数: 28

售价: 8 共享银  [记录]

麦当劳结构刀线图

包装迷,www.packme.cn--为包装工程师和包装工程专业及包装从业者提供专业的技术讨论平台!(如需添加个性签名请到个人资料里面修改)

签到天数: 1346

该用户今日未签到

405

回帖

13

声望

1576

共享银

荣誉VIP

Rank: 42Rank: 42Rank: 42Rank: 42Rank: 42Rank: 42

积分
10227
QQ
发表于 2017-5-2 09:04:41 | 显示全部楼层
肯德基包装的常见的纸包装结构!论坛里也有滴~http://www.packme.cn/forum.php?m ... F%E5%BE%B7%E5%9F%BA
The Best or Nothing!
您需要登录后才可以回帖 登录 | 立即注册!

本版积分规则

QQ|小黑屋|包装迷丨PACKME ( 【浙ICP备13020736号-1】 )

GMT+8, 2025-12-20 00:40

快速回复 返回列表