包装迷
登陆 / 注册 搜索

USERCENTER

SEARCHSITE

搜索

查看: 6673|回复: 18

[纸/瓦楞结构] 风动工具内衬包装结构设计

[复制链接]

该用户从未签到

15

回帖

10

声望

4

共享银

包装不更

Rank: 8Rank: 8Rank: 8Rank: 8

积分
73
发表于 2016-3-21 15:45:58 | 显示全部楼层 |阅读模式
请各位高手帮忙指点下风动工具的包装结构。 每把工具约重5kg, 先谢谢了~
tool2.jpg
tool1.jpg
包装迷,www.packme.cn--为包装工程师和包装工程专业及包装从业者提供专业的技术讨论平台!(如需添加个性签名请到个人资料里面修改)

该用户从未签到

169

回帖

15

声望

339

共享银

荣誉VIP

Rank: 42Rank: 42Rank: 42Rank: 42Rank: 42Rank: 42

积分
2138

荣誉管理

发表于 2016-3-22 15:12:35 | 显示全部楼层
技术要求和其他要求呢?
包装迷,www.packme.cn--为包装工程师和包装工程专业及包装从业者提供专业的技术讨论平台!(如需添加个性签名请到个人资料里面修改)

该用户从未签到

15

回帖

10

声望

4

共享银

包装不更

Rank: 8Rank: 8Rank: 8Rank: 8

积分
73
 楼主| 发表于 2016-3-23 10:43:18 | 显示全部楼层
谢谢你提醒我~
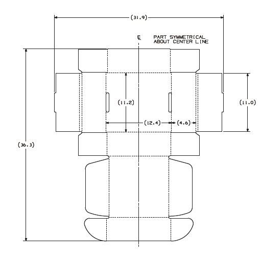
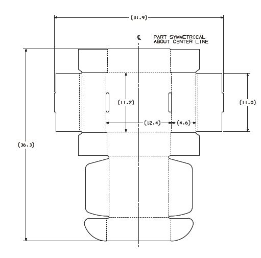
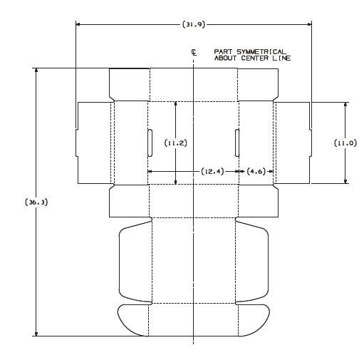
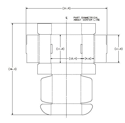
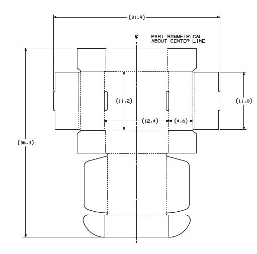
想做一个瓦楞纸的缓冲内衬设计。 内衬需要放置在长宽高分别为:315*284.5*117 (mm)的彩盒中。 谢谢!
BOX.JPG
包装迷,www.packme.cn--为包装工程师和包装工程专业及包装从业者提供专业的技术讨论平台!(如需添加个性签名请到个人资料里面修改)

该用户从未签到

15

回帖

10

声望

4

共享银

包装不更

Rank: 8Rank: 8Rank: 8Rank: 8

积分
73
 楼主| 发表于 2016-3-23 13:57:47 | 显示全部楼层
附上当前的包装方式,请大家帮忙看看,有没有合适的更美观的内衬设计方案? 先谢谢了~
包装迷,www.packme.cn--为包装工程师和包装工程专业及包装从业者提供专业的技术讨论平台!(如需添加个性签名请到个人资料里面修改)

该用户从未签到

15

回帖

10

声望

4

共享银

包装不更

Rank: 8Rank: 8Rank: 8Rank: 8

积分
73
 楼主| 发表于 2016-3-24 08:37:06 | 显示全部楼层
现有包装方式
包装迷,www.packme.cn--为包装工程师和包装工程专业及包装从业者提供专业的技术讨论平台!(如需添加个性签名请到个人资料里面修改)

该用户从未签到

15

回帖

10

声望

4

共享银

包装不更

Rank: 8Rank: 8Rank: 8Rank: 8

积分
73
 楼主| 发表于 2016-3-24 08:43:31 | 显示全部楼层
附图,先谢谢了。
existing.jpg
包装迷,www.packme.cn--为包装工程师和包装工程专业及包装从业者提供专业的技术讨论平台!(如需添加个性签名请到个人资料里面修改)

签到天数: 8

该用户今日未签到

163

回帖

10

声望

445

共享银

包装五大夫

Rank: 38Rank: 38Rank: 38Rank: 38Rank: 38Rank: 38

积分
1892
发表于 2016-3-24 09:57:29 | 显示全部楼层
对于这种不规则的产品,希望看到是用如何用纸卡固定和缓冲的。
包装迷,www.packme.cn--为包装工程师和包装工程专业及包装从业者提供专业的技术讨论平台!(如需添加个性签名请到个人资料里面修改)

该用户从未签到

15

回帖

10

声望

4

共享银

包装不更

Rank: 8Rank: 8Rank: 8Rank: 8

积分
73
 楼主| 发表于 2016-3-29 16:10:27 | 显示全部楼层
是的,请问楼上@深圳大山 您有建议吗?谢谢
包装迷,www.packme.cn--为包装工程师和包装工程专业及包装从业者提供专业的技术讨论平台!(如需添加个性签名请到个人资料里面修改)

该用户从未签到

15

回帖

10

声望

4

共享银

包装不更

Rank: 8Rank: 8Rank: 8Rank: 8

积分
73
 楼主| 发表于 2016-4-15 11:11:34 | 显示全部楼层
呃。。。
各位前辈,请帮忙看看哦~
包装迷,www.packme.cn--为包装工程师和包装工程专业及包装从业者提供专业的技术讨论平台!(如需添加个性签名请到个人资料里面修改)

该用户从未签到

15

回帖

10

声望

4

共享银

包装不更

Rank: 8Rank: 8Rank: 8Rank: 8

积分
73
 楼主| 发表于 2016-4-15 11:17:25 | 显示全部楼层
@John 看见你的抽屉效果图,觉得真的不错。 我这里有一个关于工具的瓦楞内衬需要新的设计(具体如楼上),能请你帮忙看下并给我们一些建议吗? 谢谢!
包装迷,www.packme.cn--为包装工程师和包装工程专业及包装从业者提供专业的技术讨论平台!(如需添加个性签名请到个人资料里面修改)
您需要登录后才可以回帖 登录 | 立即注册!

本版积分规则

QQ|小黑屋|包装迷丨PACKME ( 【浙ICP备13020736号-1】 )

GMT+8, 2026-3-21 13:54

快速回复 返回列表