包装迷
登陆 / 注册 搜索

USERCENTER

SEARCHSITE

搜索

查看: 5290|回复: 4

[其他包材结构] 精品盒面纸修位参考

[复制链接]

签到天数: 14

该用户今日未签到

4

回帖

10

声望

2

共享银

包装不更

Rank: 8Rank: 8Rank: 8Rank: 8

积分
79
发表于 2023-12-8 10:01:35 | 显示全部楼层 |阅读模式
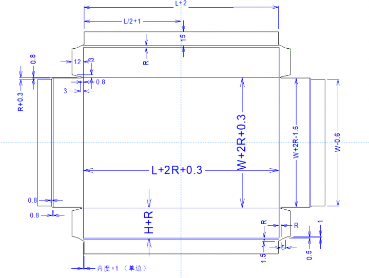
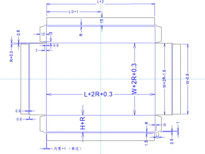
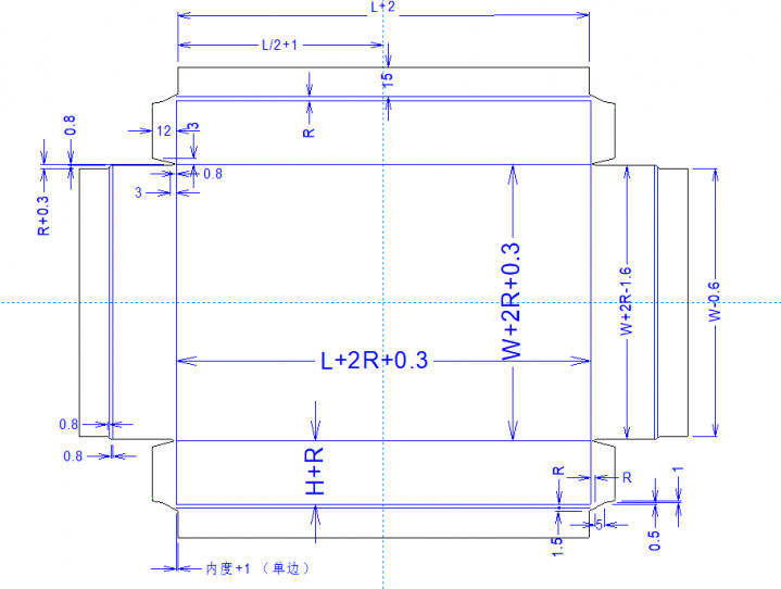
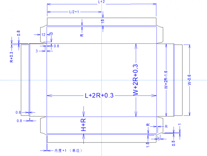
L,W,H 代表盒子内度,R代表灰板厚度!
1.png
包装迷,www.packme.cn--为包装工程师和包装工程专业及包装从业者提供专业的技术讨论平台!(如需添加个性签名请到个人资料里面修改)

1位会员因此贴向贴主表示感谢!

签到天数: 20

该用户今日未签到

524

回帖

17

声望

848

共享银

荣誉VIP

Rank: 42Rank: 42Rank: 42Rank: 42Rank: 42Rank: 42

积分
4117

热心会员

发表于 2023-12-8 16:43:07 | 显示全部楼层
有没有书本盒的?
包装迷,www.packme.cn--为包装工程师和包装工程专业及包装从业者提供专业的技术讨论平台!(如需添加个性签名请到个人资料里面修改)

签到天数: 890

今日第11个签到

101

回帖

10

声望

139

共享银

包装中更

Rank: 66Rank: 66Rank: 66Rank: 66Rank: 66Rank: 66

积分
6554
发表于 2023-12-11 22:32:53 | 显示全部楼层
这个真的很牛了,满满的细节。
包装迷,www.packme.cn--为包装工程师和包装工程专业及包装从业者提供专业的技术讨论平台!(如需添加个性签名请到个人资料里面修改)

签到天数: 720

该用户今日未签到

155

回帖

10

声望

652

共享银

包装中更

Rank: 66Rank: 66Rank: 66Rank: 66Rank: 66Rank: 66

积分
5653
发表于 2023-12-20 16:24:58 | 显示全部楼层
0.3是应用薄纸的吧,如果是厚白卡纸的话,0.3明显不够
包装迷,www.packme.cn--为包装工程师和包装工程专业及包装从业者提供专业的技术讨论平台!(如需添加个性签名请到个人资料里面修改)

签到天数: 390

该用户今日未签到

3

回帖

10

声望

91

共享银

包装五大夫

Rank: 38Rank: 38Rank: 38Rank: 38Rank: 38Rank: 38

积分
2019
发表于 2023-12-21 15:37:41 | 显示全部楼层
精品盒都是面纸裱灰板的,0.3没有问题的。
包装迷,www.packme.cn--为包装工程师和包装工程专业及包装从业者提供专业的技术讨论平台!(如需添加个性签名请到个人资料里面修改)
您需要登录后才可以回帖 登录 | 立即注册!

本版积分规则

QQ|小黑屋|包装迷丨PACKME ( 【浙ICP备13020736号-1】 )

GMT+8, 2026-4-12 11:09

快速回复 返回列表